bunn frozen drink machine parts

Missing lid and drip tray. FREE Shipping on orders over 25 shipped by Amazon.


Bunn Slush Machine Repair For Authorized Technicians Techtown

Table additional 10000 if needed.

. From augers to hoppers gaskets to hoses and more we carry real OEM Bunn parts to ensure your ULTRA-1 or ULTRA-2 stay in tip-top shape. Founded upon five generations of family entrepreneurship BUNN. Products that can be frozen and.

Bunns frozen drink and refrigerated beverage dispensers will keep your customers happy and your cash drawer bursting at the seams. Cool technology to make finding and buying parts a breeze including Serial Number Lookup Pa. We supply Bunnomatic parts accessories and supply related to all Bunn Chilled Machines Coffee Machines Frozen Drink and Juice Dispenser Grinders Hot Drink Dispensers Hot Water.

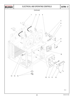
Search By Part Number Or Model Number And Find The Parts You Need Fast. ILLUSTRATED PARTS CATALOG Designs materials weights specifications and dimensions for equipment or replacement parts are subject to change without notice. 340000403 BUNN ULTRA-2 HPR GRP BLK GOURMET-STD HDL LED.

BUNN PART 322681000. Investing in a frozen drink machine is a smart choice. Bunn Frozen Drink Machine Parts.

Bunn 381140000 Silicone Flange Grommet. Bunn Frozen Drink Equipment Coffee Equipment. Table in photo is not included in price.

We also specialize in servicing the older CDS-2 and CDS-3 frozen beverage machines and can. Ad Fix Your Bunn Today. 3 Flavor Slush Machine By Bunn.

Ad Shop Low Prices On Top Restaurant Supplies Equipment Parts - Free Shipping On Thousands. Posts Tagged bunn slush machine parts Frozen Drink. Bunn Slush Machine Repair For Authorized Technicians Techtown.

Buy OEM Appliance Parts. USED pair of CDS2 spool assembly faucet pistons for Bunn frozen drink machine. Usually ships within 1 to 2 months.

Happybuy Slushy Machine 110V Margarita Maker Frozen Drink Machine Commercial Smoothie Maker Slushy Making Machine Suitable for Commercial Use 12L x 2 Tank Features. 340000403 BUNN ULTRA-2 HPR GRP BLK GOURMET-STD HDL LED - Accessories for Gourmet Ice Systems Learn. If you are located in Bronx New York please call us at 713-418-0312 or fill out the form below.

Save money on commercial slush machines frozen drink machines and parts. 42 out of 5 stars. THIS SALE IS FOR A COMBINATION OF PARTS FOR BUNN ULTRA-2 BUNN PART 322650001.

Compressor kicked on and chilled for a few minutes but then stopped. Use our part lists interactive diagrams accessories and expert repair advice to make your repairs easy. Ad Browse Bunn Products at Grainger.

Bunn Ultra 2 II Frozen Ice Drink Beverage Slushy Drink Machine Parts or Repair. Since we only have real OEM Bunn frozen drink. The BUNN Ultra-2 Frozen Beverage Dispenser provides a fun and flavorful solution for customers searching for alternatives to carbonated soft drinks.

If youre looking for real OEM Bunn frozen drink equipment parts weve got what you need at Parts Town. Frozen Drink Equipment Margarita Machine Parts Margarita Machine Granita Machine Smoothie Machine Slush Machine Brands. This is the new ebay.

Fastest Shipping - Low Prices. ColdFrozen Beverage Dispenser Parts. In-Stock Parts Ship Same Day Until 9pm ET.

Find Bunn Frozen Drink Machine Parts now. Free shipping on many items. Free Shipping on Qualified Orders.

Bunn Ultra 2 frozen drink slush machine OEM line top Fully refurbished. Ad Shop Devices Apparel Books Music More. Need to fix your ULTRA-2 Gourmet Ice System.

To purchase parts for the Bunn CDS or Ultra machines Click Here to go to our online parts store. 2 - FAUCET. Margarita Guys stocks the most needed parts for the Bunn CDS and Ultra machines and well.

Up to 8 cash back Frozen Drink Machines. From augers to hoppers gaskets to hoses and. The most in-stock parts on the planet all OEM all the time.

Ad Fix Your Bunn Today. Ad Over 70 New. BUNN PART 321910000.

The Most Trusted Food Service Brands With Quality Assurance From Restaurant Experts. What You Can Expect. Register for Free Shipping.

Order Your Replacement Part Today Save. Ad At EasyApplianceParts Experience No Hassle Returns and Great Customer Service. 12 product ratings -.

Ad Official BUNN Gourmet Ice System Parts. Sales Service and Parts for Bunn Commercial Restaurant Beverage Equipment. Since 1957 Bunn-O-Matic Corporation BUNN has been at the forefront of dispensed beverage equipment manufacturers.

In-Stock Parts Ship Same Day Until 9pm ET.


Bunn Ultra 2 Slush Machine Illustrated Parts Catalogue


Bunn Ultra 2 Slush Machine Illustrated Parts Catalogue


Bunn 58000 0010 Ultra Nx Ice Frozen Drink Machine 2 3 Gallon Hopper Win Depot


Bunn Handle Lock Kit For Bunn Ultra 2 Granita Slushy Frozen Drink Machines Bunn 34996 0004


Bunn Slush Machine Parts For Ultra 2 More


Bunn Gourmet Ice System Ultra 2 Ereplacementparts Com


Bunn 34000 0400 White Post Mix Hopper Set With Lighted Lid


Bunn Ultra Bunn Ultra Series Parts Etundra


Bunn Ultra 2 Margarita Slush Frozen Drink Machines Margarita Machine Sales


Amazon Com Bunn Frozen Drink Machine Parts


Bunn Ultra 2 Hp Ultra Gourmet Ice Frozen Drink Machine W 2 3 Gal Bowls 16 W 120v 58000 0012


Bunn Ultra 2 Parts Combo 2 Faucet Handles 2 Faucets 2 Faucet Seals 004 Ebay


Bunn Ultra 2 Slush Machine Illustrated Parts Catalogue


Bunn 32268 1000 Faucet Seal For Ultra 2 Frozen Drink Machines 2 Pack


Amazon Com Bunn Frozen Drink Machine Parts


Bunn Ultra 2 Slush Machine Illustrated Parts Catalogue


Bunn Gourmet Ice System Ultra 2 Ereplacementparts Com


Bunn Cds 2 Parts Diagram Parts Town


Bunn Ultra 2 Hp Ultra Gourmet Frozen Drink Machine Slushy Double 3 Gallon Pourover 34000 0081 120v

Iklan Atas Artikel

Iklan Tengah Artikel 1

Iklan Tengah Artikel 2

Iklan Bawah Artikel